Автоматическая линия для производства плитки QT4-15
Автоматическая линия QT4-15 предназначена для производства тротуарной плитки, бетонных блоков, бордюров и других бетонных изделий методом вибропрессования. Оборудование используется на предприятиях по производству строительных материалов, а также на заводах ЖБИ и в строительных компаниях.
Линия отличается высокой производительностью, надежной конструкцией и полной автоматизацией производственного процесса. Управление осуществляется через систему PLC, что обеспечивает точность формования изделий и стабильное качество продукции.
Принцип работы
Линия работает по технологии вибропрессования. Подготовленная бетонная смесь подается в формовочный пресс, где под воздействием вибрации и давления происходит формирование изделия в пресс-форме. После формования готовые изделия извлекаются и направляются на сушку.
Система автоматического управления контролирует процесс подачи смеси, формования и выгрузки изделий, обеспечивая высокую производительность и стабильное качество продукции.
Область применения
Оборудование применяется для производства:
• тротуарной плитки
• бетонных блоков
• бордюрного камня
• стеновых блоков
• дорожных и строительных бетонных изделий
Основные характеристики
Производительность зависит от типа изделия.
Блок 390×190×190 мм — до 7800 шт. за смену
Плитка 240×115×51 мм — до 62 100 шт. за смену
Плитка 240×115×90 мм — до 28 080 шт. за смену
Плитка 200×100×60/80 мм — до 30 400 шт. за смену
Рабочий цикл формования — 15–20 секунд.
Усилие прессования — 60 кН.
Диапазон толщины изделий — 50–200 мм.
Мощность главного двигателя — 50 кВт.
Размер матрицы — 1020×550 мм.
Вес оборудования — около 13 500 кг.
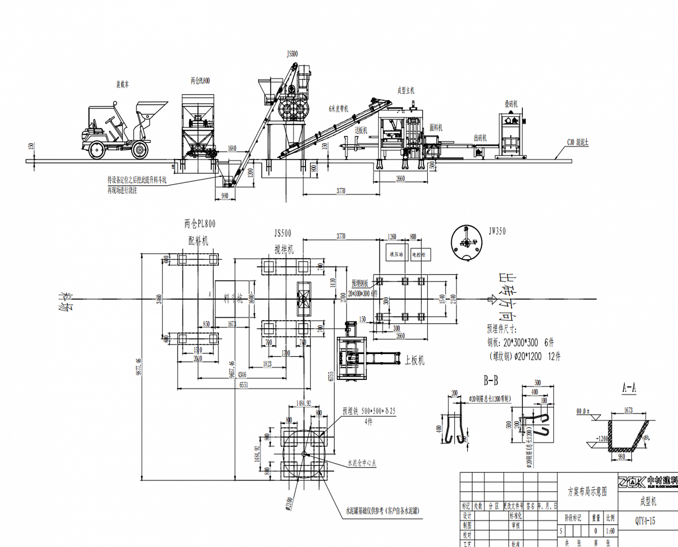
Основные компоненты линии
Линия QT4-15 включает полный комплект оборудования для производства бетонных изделий:
• двухвальный бетоносмеситель
• автоматический формовочный станок QT4-15
• формовочный пресс с пресс-формой
• система подачи воды
• система подачи сырья
• смеситель для цветных материалов
• подъемный механизм
• транспортировочные устройства
Также в состав линии входят системы подачи стержней и вспомогательные механизмы для подачи и перемещения сырья.
Система управления
Линия оснащена современной системой автоматизации на базе PLC-контроллера.
Система обеспечивает:
• автоматическое управление производственным процессом
• контроль работы оборудования
• защиту от перегрузки
• точную синхронизацию всех узлов линии
Электрооборудование включает асинхронные электродвигатели, электромагнитные клапаны и элементы промышленной автоматики.
Пневматическая система
Для работы формовочного оборудования используется пневматическая система, включающая:
• воздушный компрессор мощностью 5,5 кВт
• пневматические цилиндры
• формовочные механизмы
Сжатый воздух используется для управления механизмами прессования и перемещения форм.
Габариты оборудования
Габариты производственной линии — 8500 × 3850 × 2700 мм.
Преимущества
• высокая производительность
• автоматизированное управление PLC
• стабильное качество бетонных изделий
• прочная конструкция оборудования
• возможность выпуска различных типов изделий























































































