Гидравлическая барабанная буровая установка CYTC70H
Подходящее сечение выработки: 4000 × 4000 — 6100 × 6100 мм
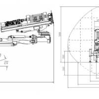
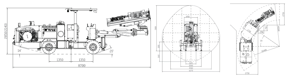
Минимальный радиус поворота: 3400 мм / 5500 мм
Габаритные размеры (Д × Ш × В): 8700 × 1750 × 2140 (2850) мм
Преодолеваемый подъем: 14°
Дорожный просвет: 320 мм
Собственный вес: 15000 кг
Гидравлический буровой перфоратор
Перфоратор YYG22U
Ударная мощность: 22 кВт
Частота ударов: 55 Гц
Давление удара: 180–220 бар
Система вращения: независимое вращение
Скорость вращения: 0–220 об/мин
Максимальный крутящий момент: 1050 Нм
Перфоратор HC95
Ударная мощность: 24 кВт
Частота ударов: 57 Гц
Давление удара: 200 бар
Система вращения: независимое вращение
Скорость вращения: 0–236 об/мин
Максимальный крутящий момент: 764 Нм
Подающий механизм
Общая длина податчика: 3500 мм
Ход подачи: 1220 мм / 915 мм
Вес податчика: 650 кг
Усилие подачи: 13 кН
Количество буровых штанг в комплекте: 13 / 15 шт.
Максимальная глубина бурения: 35 м
Манипулятор (стрела)
Компенсация: 750 мм
Угол места (тангажа): +50° / -30°
Параллельное вращение: ±180°
Угол поворота (качания): ±35°
Параллельный наклон: ±180°
Вылет стрелы: 1250 мм
Параллельный угол места: вниз 5° / вверх 95°
Пневмосистема
Воздушный компрессор: GCU11
Объем ресивера: 25 л
Расход воздуха: 1 м³/мин
Электрическая система
Суммарная установленная мощность: 85,5 кВт
Мощность главного электродвигателя: 75 кВт
Рабочее напряжение: 380 В / 440 В
Гидравлическая система
Объем гидравлического бака: 180 л
Точность фильтрации: 10 мкм
Оснащение: датчик уровня гидравлического масла, датчик давления, ручной насос для заправки, система водяного охлаждения.
Шасси
Двигатель: Yanmar, экологический стандарт Tier 4
Система очистки выхлопа: трехкомпонентный каталитический нейтрализатор
Мощность двигателя (2200 об/мин): 53,7 кВт
Крутящий момент (1650 об/мин): 319,5 Нм
Объем топливного бака: 55 л
Преодолеваемый подъем: 14°
Угол сочленения рамы: ±35°
Общая длина кабеля: 70 м
Свяжитесь с нами, чтобы получить консультацию и подобрать гидравлическую буровую установку CYTC70H для вашего горнодобывающего или тоннельного проекта. Мы поможем подобрать оптимальную комплектацию оборудования и ответим на все технические вопросы.



























































































